
|
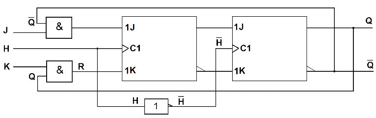
La Bascule JK à verrouillage |
La Bascule JK à verrouillage
(flip-flop JK pulse triggered)

|
Symbole électrique (norme IEEE/IEC) |
Table de fonctionnement |
Graphe d' évolution |
|
|
|
|
Créé avec HelpNDoc Personal Edition: Générateur d'aides Web gratuit


