
|
Commande de cycle |
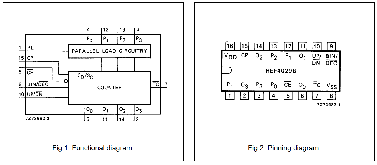
- la commande de cycle. (Bin/Dec)
Cette commande permet de sélectionner le type de cycle, le choix se fait entre le cycle binaire pur et le BCD (cycle décimal).
(BCD Binary Coded Decimal) (DCB Décimal Codé à l'aide de quartet Binaire)
Exemple: HEF4029
HEF4029B
MSI
Synchronous up/down counter, binary/decade counter




Créé avec HelpNDoc Personal Edition: Créez sans effort une documentation d'aide de haute qualité avec un outil de création d'aide