
|
Modulo 2n |
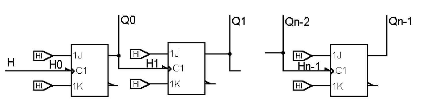
Compteur Modulo 2n
La conception d'un compteur binaire asynchrone modulo 8, 16, 32, 64, ... découle du précédent. En effet, il suffit, pour obtenir un compteur asynchrone modulo 2n , de chaîner n compteurs modulo 2.
modulo 8 asynchrone ====> 3 modulo 2 en cascade ( 0,1, .....,6,7,0,1,... )
modulo 16 asynchrone ====> 4 modulo 2 en cascade ( 0,1, .....,14,15,0,1,... )
modulo 32 asynchrone ====> 5 modulo 2 en cascade ( 0,1, .....,30,31,0,1,... )
modulo 2n asynchrone ====> n modulo 2 en cascade ( 0,1, .....,2n-2,2n-1,0,1,... )
Structure d'un compteur asynchrone modulo 2n

|
Exemples de compteurs asynchrones intégrés
|


Créé avec HelpNDoc Personal Edition: Créez sans effort des fichiers PDF cryptés et protégés par mot de passe
