|
6.10.d LCD |

Afficheur LCD (mode 4bits)
Connexions
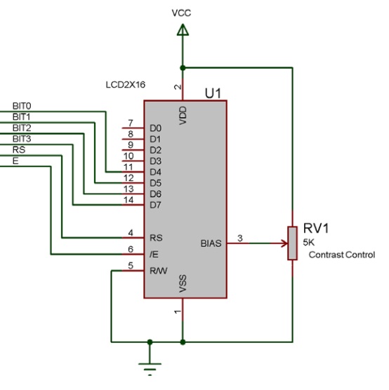
Pour que les LCD fonctionnent avec le composant LCD Flowcode, ils doivent être connectés en mode de données 4 bits. Les 4 signaux de données vont en fait au quartet de données supérieur sur l'écran LCD comme indiqué ci-dessous.

|
|
|
|
|
LCD (Generic, 16x2) (Alphanumeric) |
|
Propriétés du composant LCD |
Aide:https://www.flowcode.co.uk/wiki/index.php?title=Component:_LCD_(Generic,_16x2)_(Alphanumeric)
Clear
|
Clear |
|
|
Clears the entire contents of the display. Efface tout le contenu de l'affichage. |
|
|
Return |
|
ClearLine
|
ClearLine |
|
|
Clears a single line on the display and then moves the cursor to the start of the line to allow you to start populating the line with data. Efface une seule ligne sur l'affichage, puis déplace le curseur au début de la ligne pour vous permettre de commencer à remplir la ligne avec des données. |
|
|
Line |
|
|
The line to clear, zero being the first (top) line of the display La ligne à effacer, zéro étant la première ligne (en haut) de l'affichage |
|
|
Return |
|
Command
|
Command |
|
|
Use this method/macro to send a specific command to the LCD. Refer to the Matrix Multimedia EB006 datasheet for a list of supported instructions. For Non-Matrix LCD's refer to the manufacturers datasheet. Utilisez cette méthode/macro pour envoyer une commande spécifique à l'écran LCD. Reportez-vous à la fiche technique Matrix Multimedia EB006 pour obtenir une liste des instructions prises en charge. Pour les écrans LCD non matriciels, reportez-vous à la fiche technique du fabricant. |
|
|
instruction |
|
|
Send a defined command to the LCD Screen. See datasheet for supported commands. Envoyez une commande définie à l'écran LCD. Voir la fiche technique pour les commandes prises en charge. |
|
|
Return |
|
Cursor
|
Cursor |
|
|
Moves the cursor on the LCD Display Déplace le curseur sur l'écran LCD |
|
|
x |
|
|
Set the cursor position in the X plane, 0 is the left most cell Définir la position du curseur dans le plan X, 0 est la cellule la plus à gauche |
|
|
y |
|
|
Set the cursor position in the Y plane, 0 is the top most cell Définir la position du curseur dans le plan Y, 0 est la cellule la plus haute |
|
|
Return |
|
PrintAscii
|
PrintAscii |
|
|
Takes the ASCII value for a character and prints the character Prend la valeur ASCII d'un caractère et imprime le caractère |
|
|
character |
|
|
Holds an ASCII value. Contient une valeur ASCII. |
|
|
Return |
|
PrintFloat
|
PrintFloat |
|
|
Print a Float number rounded up to a specified amount of decimal places. Affiche un nombre flottant arrondi à un nombre spécifié de décimales. |
|
|
Number |
|
|
Enter the number or variable to print to the LCD Entrez le nombre ou la variable à imprimer sur l'écran LCD |
|
|
DecimalPlaces |
|
|
Enter how many decimal places to round up to (1 - 6) Entrez le nombre de décimales à arrondir (1 - 6) |
|
|
Return |
|
PrintFormattedNumber
|
PrintFormattedNumber |
|
|
Will allow you to print a number up to 32-bits with signed or unsigned formatting. Signed = -2147483648 to 2147483647 Unsigned = 0 to 4294967295 Vous permettra d'imprimer un nombre jusqu'à 32 bits avec un formatage signé ou non signé. Signé = -2147483648 à 2147483647 Non signé = 0 à 4294967295 |
|
|
Number |
|
|
Enter the number or variable to print to the LCD Entrez le nombre ou la variable à imprimer sur l'écran LCD |
|
|
Format |
|
|
0=Signed, 1=Unsigned 0=Signé, 1=Non signé |
|
|
Return |
|
PrintNumber
|
PrintNumber |
|
|
Based on v5 macro, will allow you to print a number. This is limited to a signed-INT, -32768 to 32767 Basé sur la macro v5, vous permettra d'imprimer un nombre. Ceci est limité au type INT signé, -32768 à 32767 |
|
|
Number |
|
|
Enter the number or variable to print to the LCD Entrez le nombre ou la variable à imprimer sur l'écran LCD |
|
|
Return |
|
PrintString
|
PrintString |
|
|
Breaks down a string of text and sends it to the LCD via the private RawSend(byte, mask) macro Décompose une chaîne de texte et l'envoie à l'écran LCD via la macro privée RawSend(byte, mask) |
|
|
Text |
|
|
Enter the text or variable to print to the LCD Entrez le texte ou la variable à imprimer sur l'écran LCD |
|
|
Return |
|
RAMWrite
|
RAMWrite |
|
|
Modifies the internal memory of the LCD to allow for up to 8 customised characters to be created and stored in the device memory Modifie la mémoire interne de l'écran LCD pour permettre jusqu'à 8 caractères personnalisés d'être créés et stockés dans la mémoire de l'appareil |
|
|
Index |
|
|
Values 0 to 7 Valeurs 0 à 7 |
|
|
d0 |
|
|
d1 |
|
|
d2 |
|
|
d3 |
|
|
d4 |
|
|
d5 |
|
|
d6 |
|
|
d7 |
|
|
|
|
|
Return |
|
RawSend
|
RawSend |
|
|
Sends data to the LCD display Envoie les données à l'écran LCD |
|
|
data |
|
|
The data byte to send to the LCD L'octet de données à envoyer au LCD |
|
|
type |
|
|
A boolean to indicate command type: true to write data, false to write a command Un booléen pour indiquer le type de commande : true pour écrire des données, false pour écrire une commande |
|
|
Return |
|
RemapCharacter
|
RemapCharacter |
|
|
Assigns a remap character allowing the PrintString function to automatically swap between pre-defined characters. The characters can be custom (in the range 0-9) or can point to an existing character in the LCD character map. Attribue un caractère de remappage permettant à la fonction PrintString de permuter automatiquement entre les caractères prédéfinis. Les caractères peuvent être personnalisés (dans la plage 0-9) ou peuvent pointer vers un caractère existant dans la carte des caractères LCD. |
|
|
RemapIdx |
|
|
Remap Index, Range: 0 to (Remap Characters - 1) Index de remappage, plage : 0 à (caractères de remappage - 1) |
|
|
SearchCharacter |
|
|
Character to look for a replace Caractère à rechercher pour un remplacement |
|
|
ReplacementCharacter |
|
|
New character value to use in place of the search character. Nouvelle valeur de caractère à utiliser à la place du caractère de recherche. |
|
|
Return |
|
ScrollDisplay
|
ScrollDisplay |
|
|
Scrolls the display left or right by a number of given positions. Fait défiler l'affichage vers la gauche ou vers la droite d'un certain nombre de positions données. |
|
|
Position |
|
|
Holds the number of positions to shift the display Maintient le nombre de positions pour décaler l'affichage |
|
|
Direction |
|
|
0 = left, 1 = right 0 = gauche, 1 = droite |
|
|
Return |
|
Start
|
Start |
|
|
Startup routine required by the hardware device. Automatically clears the display after initialising. Routine de démarrage requise par le périphérique matériel. Efface automatiquement l'affichage après l'initialisation. |
|
|
Return |
|
Property reference
|
Properties |
|
|
Connections |
|
|
Data 0 (11) |
|
|
Data 1 (12) |
|
|
Data 2 (13) |
|
|
Data 3 (14) |
|
|
Register Select (4) |
|
|
Enable (6) |
|
|
|
|
|
Simulation |
|
|
Component Label |
|
|
Component Label Scale The label scale can be change if the amount of text is too wide for the display |
|
|
Text Colour Colour of the font characters drawn on the display |
|
|
Text Background Colour surrounding the font characters drawn on the display |
|
|
Display Background Colour of the background of the display |
|
Sous Flowcode voir aussi Conversion A/N et l'activité Gestion d’un Feu Tricolore.
|
Sous Arduino |
Demonstrates the use a 16x2 LCD display. The LiquidCrystal library works with all LCD displays that are compatible with the Hitachi HD44780 driver. There are many of them out there, and you can usually tell them by the 16-pin interface.
https://docs.arduino.cc/learn/electronics/lcd-displays

Créé avec HelpNDoc Personal Edition: Outil de création d'aide puissant et convivial pour les documents Markdown







































































