Conception d'une installation photovoltaique
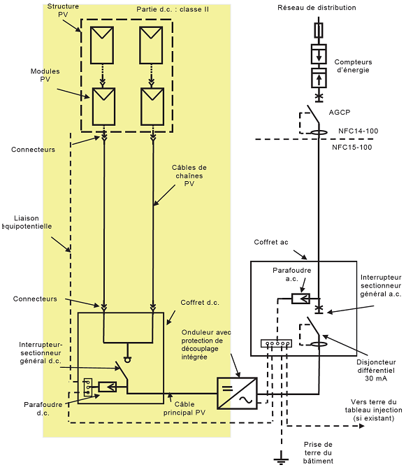
Schéma électrique
Couplage des modules photovoltaïques
Le champ photovoltaïque est composé de 2 strings (chaînes de panneaux en série) de 12 modules BP275. Ces 2 chaînes sont montées en parallèle dans le coffret DC à l'aide de conducteurs de 6mm² en cuivre.

Régi par la licence Creative Commons Attribution Non-commercial Share Alike 3.0 License

